2.54mm pitch 2A current 3pin DIP pogo pin male female magnetic power connector,UPE is a professional manufacturer of magnetic connector and magnetic cable connector
2.54mm pitch 2A current 3pin DIP pogo pin male female magnetic power connector
Union Precision Electronic Ltd (UPE) is a professional custom manufacturer of pogo pin connectors and magnetic connectors. Our products are widely used across various industries including telecommunications, medical devices, aerospace & aviation, automotive, wireless equipment, wearable technology, and industrial testing equipment. With a strong global presence, our products are primarily exported to Europe, the United States, Canada, and developed regions across Asia.
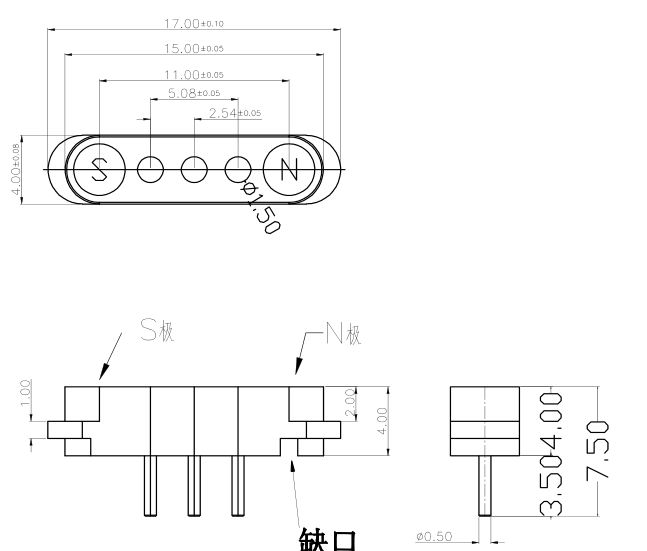
Male Part: 3pin male magnetic connector spec

Male Part: 3pin female magnetic connector spec

Recommended PCB layout:

3pin magnetic connector parameter
| Parameter | Specification |
|---|---|
| Pin Count | 3-pin or customized |
| Pitch | 2.54mm |
| Type | DIP |
| Pogo Pin Material | Brass |
| Housing Material | PA46/PA9T |
| Magnet Material | Neodymium iron boron |
| Magnet Grade | N52 (As requirement) |
| Mechanical Life | 10000 cycle Min. |
| Current | 2.0A |
| Voltage | DC 12V |
| Contact Resistance | 50mΩ Max (PIN) |
| Salt Spray Test | 48H |
| Withstanding High Temperature | 260°C |
| Operational Temperature | -40~85°C |
| Certification | ROHS or REACH compliant product |
| Testing | 100% open and short test |
Advantages of Magnetic Connector:
●Humanize design of automatic adsorption connection experience;
●Humanized anti-fall: it is easy to remove from the charging interface, and it is not easy to remove the device;
●Life time: up to 100,000-200,000cycle;
●Waterproof design: the female end of the device can be dustproof and waterproof (IPX8);
●Fast charging time: 5A-10A magnet connector design withstands large current transmission;
●The appearance of the magnetic connector can be matched according to the design of the customer's application device;
●Product anti-short circuit structure design and foolproof;
●Realize high frequency signal transmission,can replace the traditional USB2.0 HDMI 1.3 function Video&Audio signal transmission
Magnetic Connector Application:

Why do customers choose UNION?
1. Professional customization service
Different products and solutions can be designed according to different customer needs
2. Fast sample production capability
Standard product 2-3 days sample, new custom sample 7 working days, mold opening product 12 days
3. Strict quality control system
The concept of quality first runs through the entire production and inspection process, and strictly controls each process to ensure the quality of customer satisfaction.
4. Processing with imported components
A small number of needle shafts are machined from imported precision lathes,
and most of the needle shafts are made of imported cold stamping for higher stability.
5. High-precision test equipment
Provide accurate and precise testing to continuously improve product quality
6. Reasonable cost control procedures
Save costs, eliminate waste, optimize processes, and highlight cost competitiveness
7. Product environmental standards
The product meets the EU ROHS standard and meets halogen
Ordering & Shipping Information
Payment Methods: T/T, PayPal, OCBC
Sample Lead Time: Inventory sample 2-3 working days / Customized sample 5-7 working days
Production Lead Time: 10-15 working days
Markets Served: America, Europe, Asia, South Africa
Trade Term: EXW
Services: High quality with reasonable price, OEM service, any special size, color, designs are acceptable

Any question, please send to [email protected]
| User name | Member Level | Quantity | Specification | Purchase Date |
|---|