7Pin male and female magnetic connector for smart robot
7Pin male and female magnetic connector for smart robot. UPE is a professional magnetic connector & magnetic cable connector manufacturer. We have our own professional designers to meet any of your requirements and provide magnetic connector customization service.
Material: Plunger: Brass C3604 | Barrel: Brass C3604 | Spring: SUS304 | Housing: PA46/PA9T
Magnet: Material: Rubidium iron boron | Performance: N52 | Salt spray: 24H | Pole: S (South Pole) - N (North Pole)
Plating: Plunger: 1-3μ"Au over 50μ"Ni | Barrel: 1-3μ"Au over 50μ"Ni
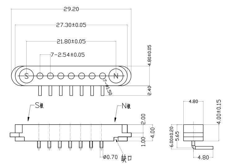
Male Part: 7pin male magnetic connector spec

Male Part: 7pin female magnetic connector spec

7pin magnetic connector parameter
| Parameter | Specification |
|---|---|
| Pin Count | 7-pin or customized |
| Pitch | 2.54mm |
| Type | Right angle |
| Pogo Pin Material | Brass |
| Housing | PA9T |
| Magnet | Neodymium iron boron |
| Magnet Grade | N52 (As requirement) |
| Force | 35±10gf |
| Withstanding High Temperature | 260°C |
| Mechanical Life | 10,000 cycles Min. |
| Current | 2.0A |
| Voltage | DC 12V |
| Contact Resistance | 50mΩ Max (PIN) |
| Operational Temperature | -40~85°C |
| Salt Spray Test | 24H |
| Certification | ROHS or REACH compliant product |
| Test | 100% open and short test |
Advantages of Magnetic Connector:
●Humanize design of automatic adsorption connection experience;
●Humanized anti-fall: it is easy to remove from the charging interface, and it is not easy to remove the device;
●Life time: up to 100,000-200,000cycle;
●Waterproof design: the female end of the device can be dustproof and waterproof (IPX8);
●Fast charging time: 5A-10A magnet connector design withstands large current transmission;
●The appearance of the magnetic connector can be matched according to the design of the customer's application device;
●Product anti-short circuit structure design and foolproof;
●Realize high frequency signal transmission,can replace the traditional USB2.0 HDMI 1.3 function Video&Audio signal transmission
Magnetic Connector Application:

Why do customers choose UNION?
1. Professional customization service
Different products and solutions can be designed according to different customer needs
2. Fast sample production capability
Standard product 2-3 days sample, new custom sample 7 working days, mold opening product 12 days
3. Strict quality control system
The concept of quality first runs through the entire production and inspection process, and strictly controls each process to ensure the quality of customer satisfaction.
4. Processing with imported components
A small number of needle shafts are machined from imported precision lathes,
and most of the needle shafts are made of imported cold stamping for higher stability.
5. High-precision test equipment
Provide accurate and precise testing to continuously improve product quality
6. Reasonable cost control procedures
Save costs, eliminate waste, optimize processes, and highlight cost competitiveness
7. Product environmental standards
The product meets the EU ROHS standard and meets halogen
Payment Methods: T/T, PayPal, OCBC
Sample Lead Time: Inventory sample 2-3 working days / Customized sample 5-7 working days
Production Lead Time: 10-15 working days
Markets Served: America, Europe, Asia, South Africa
Trade Term: EXW
Services: High quality with reasonable price, OEM service, any special size, color, designs are acceptable

Any question, please send to [email protected]
| User name | Member Level | Quantity | Specification | Purchase Date |
|---|